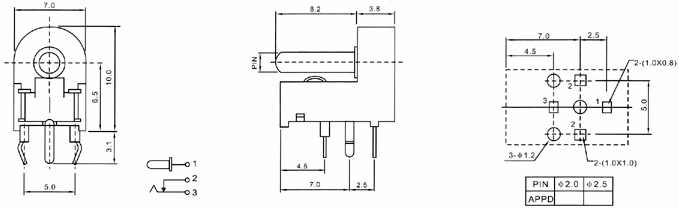
型號:DC-027

技術指標:
使用溫度范圍 Temperature |
-30~70℃ |
耐壓 Withstand Voltage |
AC500V(50Hz)/min |
額定負荷 Rated Load |
DC 30V 0.5A |
插拔力 Actuating Force |
3~20N |
接觸電阻 Contact Resistance |
≤0.03Ω |
壽命 Life |
5000次 |
絕緣電阻 Insulation Resistance |
≥100MΩ |
